Case Study: Objective Lens for Laser Instruments
Performance Optimization
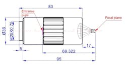
A critical aspect of the project involved optimizing the lens design for multiple laser wavelengths. Avantier engineers utilized Modulation Transfer Function (MTF) diagrams for laser wavelengths at 350 nm (Figure 1 and 2) and 850 nm (Figure 3 and 4). The laser beams were focused theocentrically on the image plane, ensuring precise separation of laser spots in the vertical direction with approximately 100 um spacing. This meticulous optimization contributed to the overall success of the project, meeting and exceeding the client’s expectations.Appendix Figures for Reference






